
|
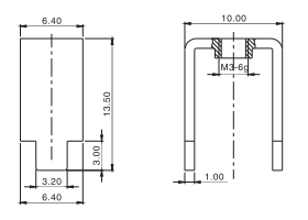
間 距(Center Space) |
|
|
額定電流(Rated Current) |
50A |
|
壓線螺釘(Screw) |
M3 |
|
焊接端子(Terminal Body) |
Brass,Tin Plated |
|
螺釘扭矩(Screw Torque) |
7 Ibf - in |
- 下一頁: DT1002

首頁





